お電話・ファックスでのお問い合わせ
tel 03-3668-3618 fax 03-3668-3617
圧力容器(加圧・減圧・真空)

PVOLJ-YKは、ジャケット加温・冷却機能とキャスター脚付を備えたフランジオープン加圧容器に、バランサー開閉機構を組み合わせたモデルです。
重い蓋も安全かつ省力的に開閉可能で、内外面バフ研磨のサニタリー仕様により衛生性・洗浄性に優れます。20〜200L、SUS304/316L対応で、密閉圧送・加圧ろ過に適応。各種継手や計器、攪拌機・ポンプ等とのカスタム製作にも柔軟に対応可能です。
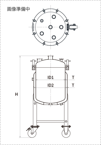
●容量:20L~200L
●材質:SUS304 , SUS316L
●板厚:T=2.0mm(標準)
●表面仕上げ:内外面バフ研磨
●ジャケットノズル(IN/OUT):15Aヘルール
●蓋ヘルール:1S×1口、2S×5口
●ガスケット類:シリコンゴム他
●脚本数:4本脚
・使用圧力 本体:0~0.18MPa
・使用圧力 ジャケット:0~0.09MPa
・使用温度 本体:常温
・使用温度 ジャケット:冷水~温水
・必ず最高使用圧力以内でご使用ください。
・容器または配管にリリーフバルブ等の安全装置を取り付けてご使用ください。
・内圧が残っている場合は、クランプ等を絶対にゆるめないでください。
・スチーム、または加熱・化学反応によって蒸気の発生する容器としては絶対に使用しないで下さい。
・弊社では第二種圧力容器・小型圧力容器の製作が可能です。
・当モデルをベースにした第二種圧力容器・小型圧力容器の製作は別途設計いたします。
| 型式 | 容量 | ID1 | ID2 | 全高 H | 標準価格(円) | 納期 | |
|---|---|---|---|---|---|---|---|
| (L) | (mm) | (mm) | (mm) | SUS304 | SUS316L | (日) | |
| PVOLJ-YK-30-20 | 20 | 300 | 350 | 890 | @ | @ | 30 |
| PVOLJ-YK-30-25 | 25 | 300 | 350 | 960 | @ | @ | 30 |
| PVOLJ-YK-30-30 | 30 | 300 | 350 | 1030 | @ | @ | 30 |
| PVOLJ-YK-35-30 | 30 | 350 | 400 | 930 | @ | @ | 30 |
| PVOLJ-YK-35-35 | 35 | 350 | 400 | 980 | @ | @ | 30 |
| PVOLJ-YK-35-40 | 40 | 350 | 400 | 1030 | @ | @ | 30 |
| PVOLJ-YK-40-40 | 40 | 400 | 450 | 960 | @ | @ | 30 |
| PVOLJ-YK-40-50 | 50 | 400 | 450 | 1040 | @ | @ | 30 |
| PVOLJ-YK-40-60 | 60 | 400 | 450 | 1120 | @ | @ | 30 |
| PVOLJ-YK-45-60 | 60 | 450 | 500 | 1040 | @ | @ | 30 |
| PVOLJ-YK-45-70 | 70 | 450 | 500 | 1100 | @ | @ | 30 |
| PVOLJ-YK-45-80 | 80 | 450 | 500 | 1160 | @ | @ | 30 |
| PVOLJ-YK-50-80 | 80 | 500 | 550 | 1080 | @ | @ | 30 |
| PVOLJ-YK-50-90 | 90 | 500 | 550 | 1130 | @ | @ | 30 |
| PVOLJ-YK-50-100 | 100 | 500 | 550 | 1180 | @ | @ | 30 |
| PVOLJ-YK-55-100 | 100 | 550 | 600 | 1120 | @ | @ | 30 |
| PVOLJ-YK-55-150 | 150 | 550 | 600 | 1330 | @ | @ | 30 |
| PVOLJ-YK-60-150 | 150 | 600 | 650 | 1250 | @ | @ | 30 |
| PVOLJ-YK-60-200 | 200 | 600 | 650 | 1430 | @ | @ | 30 |
・標準価格は、税抜き価格です。
・標準価格(@)は、都度お見積です。
・納期日数は営業日換算の目安です。実際の納期は前後する場合があります。
・PVOLJ-YKジャケット脚付フランジオープン加圧容器・バランサー開閉は、受注生産品です。
・表記の納期は目安であり、ご注文数量や仕様変更等によって前後することがございます。
サイト内検索